У нее пожалуй лишь одни недочеты - грязь, лужи и, конечно, умершие деревья...
Подпишитесь на рассылку и получайте свежие новости и акции нашего магазина.
Интернет-магазин строительного оборудования, отделочных и строительных материалов.
Подпишитесь на рассылку и получайте свежие новости и акции нашего магазина.
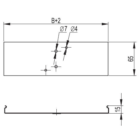
Накладка соединительная DKC 37395 CGC 300 мм изготовлена из стали толщиной 1 мм, оцинкованной по методу Сендзимира. Предназначена для крышки лотка с основанием 300 мм.
Используется для соединения неровно отрезанных крышек лотков, к которым крепится винтами М6х10 и гайками М6 с насечкой. Гайки располагаются с внешней стороны бортов.
Процесс обработки стали по методу Сендзимира – один из методов горячего цинкования. Цинковое покрытие является в своем роде уникальным, так как обеспечивает не только барьерную, но и электрохимическую защиту от коррозии. Последняя известна еще и как "жертвенная" защита, поскольку в гальванической паре цинк "жертвует" собой, чтобы защитить сталь, на которую он нанесен. Цинк будет действовать подобным образом до последнего атома. Этот эффект проявляется и на локальных участках, где покрытия уже нет (царапины, сколы, отверстия).
S5 Combitech − система перфорированных и неперфорированных лотков, предназначенная для прокладки проводов и кабелей силовой и сигнальной проводки при выполнении открытых электропроводок и открытой прокладке кабельных линий при настенном, потолочном, наклонном и комбинированном типах монтажа на объекта промышленного, коммерческого и гражданского строительства. Специальная конструкция лотков системы "S5 Combitech" исключает возможность повреждения кабеля при прокладке, соединение внахлест с помощью фирменного соединения "папа-мама" сокращает время монтажа до 60%.
Основная функция системы металлических лотков - постоянно удерживать и защищать кабель. При использовании неперфорированных лотков, крышек, а также специальных пластин на стыках обеспечивается степень защиты IP44.
| Прочие | ||
| Производитель | DKC | |
| Вес брутто | 0,1 кг | |
| Высота | 15 мм | |
| Длина | 65 мм | |
| Материал | Сталь | |
| Объекты применения | Для неперфорированных лотков / Для перфорированных лотков | |
| Покрытие | Цинк | |
| Тип | Соединительная накладка | |
| Тип применения | Для внутреннего применения | |
| Толщина стали | 1 мм | |
| Цвет | Серый | |
| Ширина | 300 мм | |