У нее пожалуй лишь одни недочеты - грязь, лужи и, конечно, умершие деревья...
Подпишитесь на рассылку и получайте свежие новости и акции нашего магазина.
Интернет-магазин строительного оборудования, отделочных и строительных материалов.
Подпишитесь на рассылку и получайте свежие новости и акции нашего магазина.
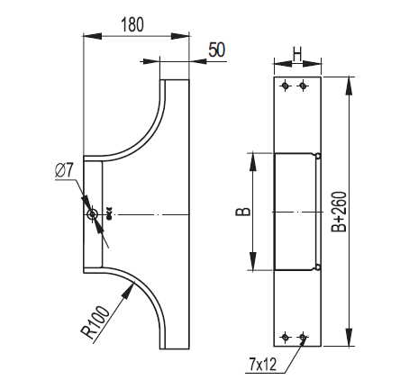
Ответвитель DKC 36237 DL 200х50 мм применяется для организация как Т-образного,так и Х-образного отвода трассы в горизонтальной плоскости, либо Т-ответвления вниз в вертикальной плоскости при условии монтажа без крышки.
Ответвитель DL Т-образный – это высокая прочность конструкции, надежность и простота в обслуживании. Не отяжеляет поверхность, к которой крепится.
Ответвитель изготавливается из высококачественной стали, оцинкованной по методу Сендзимира. Процесс обработки стали по методу Сендзимира – один из методов горячего цинкования. Цинковое покрытие является в своем роде уникальным, так как обеспечивает не только барьерную, но и электрохимическую защиту от коррозии. Последняя известна еще и как "жертвенная" защита, поскольку в гальванической паре цинк "жертвует" собой, чтобы защитить сталь, на которую он нанесен. Цинк будет действовать подобным образом до последнего атома. Этот эффект проявляется и на локальных участках, где покрытия уже нет (царапины, сколы, отверстия).

Для монтажа DL-ответвителей применяются соединитель GTO и соединительные накладки CGB. Данные монтажные аксессуары устанавливаются во внутреннюю часть лотка. Для соединения крышек применяются соединительные накладки CGC, которые устанавливаются сверху на крышки. Гайки располагаются с внешней стороны бортов.
| Прочие | ||
| Производитель | DKC | |
| Вес брутто | 0,1 кг | |
| Ширина | 460 мм | |
| Цвет | Серый | |
| Форма | T-образный | |
| Толщина стали | 0,8 мм | |
| Тип применения | Для внутреннего применения | |
| Тип | Ответвитель | |
| Страна производства | Россия | |
| Расположение | Горизонтальный / Вертикальный | |
| Покрытие | Цинк | |
| Объекты применения | Для неперфорированных лотков / Для перфорированных лотков | |
| Материал | Сталь | |
| Высота | 50 мм | |
| Радиус изгиба | 100 мм | |
| С разъемом | Да | |
| Ширина основания | 200 мм | |